Page 1 of 1
Theory vs. Reality, or Schematic vs. Physical
Posted: Sat Aug 13, 2016 10:51 am
by Ishkabibble
For those of you who have been following the Bracket Saga, among other things, I'm pretty much now at the point where I am going to do the installs for the new running lights and DDLs, the new brake flasher, the flasher relay, etc.
I have two pretty good copies of the wiring diagram for the PCX 150, but I know there is a massive difference between all those nice, pretty colored lines on a sheet of paper, vs. the tangle of electronic spaghetti making up the guts inside the scooter.
Has anyone any clear photographs of the wiring inside the front cowl below the windscreen/meter panel, that show the wiring harness for the headlamp assembly for the US version of the '13 PCX 150?
I would really like to get a good idea of what I am going to see before I take off everything I'm going to have to take off to run the new wiring. I don't want there to be any surprises in there, and I'd like to have a good grasp of what wires are where, before I do any surgery. Think of it like an Anatomy & Physiology thing for a PCX.
It won't be any easier if I get into it, expecting to find one thing, and once inside, with all that stuff taken off, not find what I'm looking for, or it not be there at all. Case in point: I know the turn signal wires go to the stalks on either side of the bike, and not into the headlamp assembly, so finding where those wires actually are will be important. Another example, the wiring diagrams I have show the wiring for the "position lights" (which are the small lights below the main headlights, I believe) but those lights are not installed on the US version. So, are the wires there, and if so, where are they? I'll need to know that so I can tap my front-fork running lights into them, and also have a setup for the Cree 15W trail spots I'm going to install soon.
Same thing for the back. I pretty much have a good idea where the wiring for the license plate lamp is, and for the brake lighting, as I've read threads that show that harness runs along the right side of the rear, under the seat box. Those lights are in specific locations, and will be easy to find to tap into.
So, a good set of photos showing the wiring harness up front would be super helpful.
Many TIA!
Re: Theory vs. Reality, or Schematic vs. Physical
Posted: Sat Aug 13, 2016 11:42 am
by Jge64
If you are going that deep in the bike you need a shop manual. Online they are cheap and have a full pullout of exactly what you are looking for. I think mine was 25 on ebay

Re: Theory vs. Reality, or Schematic vs. Physical
Posted: Sat Aug 13, 2016 1:35 pm
by Mel46
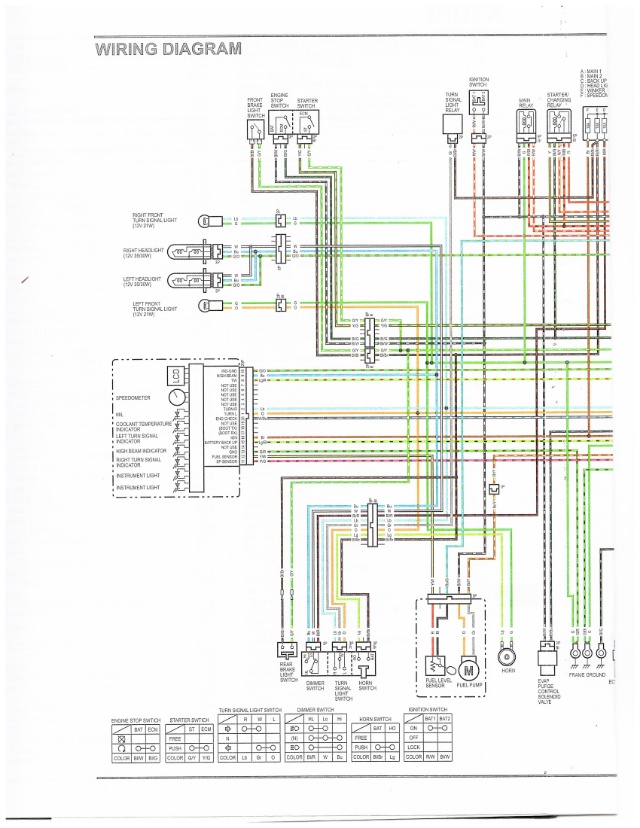
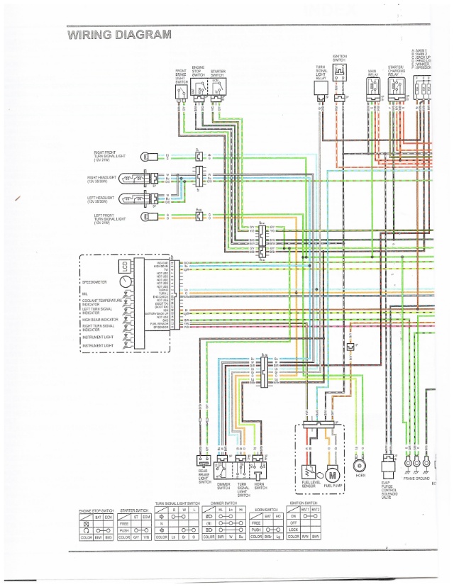
I had mine apart a few months ago. Sorry but I didn't take any pictures. If you have the wiring diagram you shouldn't have a lot of trouble. Somewhere on this forum I added a picture of the wiring diagram...somewhere... :-/
By the way, the turn signals go to a point in the wiring harness where they can easily be disconnected. Each of these accessory items has a quick disconnect for quick disconnecting when changing out the panels. In fact, the wiring harness is a series of quick disconnects, so that replacements can be installed quickly. Once you get the front apart you will see what I mean. Just keep track of what plugs in where.
Re: Theory vs. Reality, or Schematic vs. Physical
Posted: Sat Aug 13, 2016 4:06 pm
by Ishkabibble
Actually, I do have a shop manual. There is no wiring diagram in it, to the best of my knowledge, but I admit I have not read every page. I thought everyone knew to have a shop manual..
Mel, yours is, in fact, the very diagram I had looked at, which prompted me to inquire about the difference between reality and schematic.
Off the top of your head, do you remember exactly what kind of connectors they are? I'd hate to have to keep her in the lair, in a state of partial disassembly, while I try to go out and find some. If I have a bunch on hand, it will make me less likely to tear out my hair. Not that I have much to tear out in the first place...
Maybe I can contact a Honda dealer, and ask them?
Re: Theory vs. Reality, or Schematic vs. Physical
Posted: Sat Aug 13, 2016 5:27 pm
by Mel46
I don't know the name of the connectors but I would be willing to bet others here know their official name. Perhaps the Honda parts manager at the dealer would know. Also, look in the back of the service manual for the wiring diagram, just before the index.
Re: Theory vs. Reality, or Schematic vs. Physical
Posted: Sat Aug 13, 2016 5:46 pm
by Mel46
The turn signal plug is just referred to as a 2P, which is a 2 pin connector. You will probably be making up a new harness for those extra driving lights. They may end up being tapped into the harness , or else you can splice into one side with a plug. I believe the harness is entirely different for European bikes. They have extra lights but other things are also different, so you can't really use their type of harness.
Re: Theory vs. Reality, or Schematic vs. Physical
Posted: Sat Aug 13, 2016 7:34 pm
by Ishkabibble
Mel46 wrote:The turn signal plug is just referred to as a 2P, which is a 2 pin connector. You will probably be making up a new harness for those extra driving lights. They may end up being tapped into the harness , or else you can splice into one side with a plug. I believe the harness is entirely different for European bikes. They have extra lights but other things are also different, so you can't really use their type of harness.
Right. That's just the point. I know the US ones are different, which is why I had hoped to find out what was there before I tore into it to see for myself.
Re: Theory vs. Reality, or Schematic vs. Physical
Posted: Sat Aug 13, 2016 8:18 pm
by honkerman
Ishkabibble wrote:Actually, I do have a shop manual. There is no wiring diagram in it, to the best of my knowledge, but I admit I have not read every page. I thought everyone knew to have a shop manual..
Mel, yours is, in fact, the very diagram I had looked at, which prompted me to inquire about the difference between reality and schematic.
Off the top of your head, do you remember exactly what kind of connectors they are? I'd hate to have to keep her in the lair, in a state of partial disassembly, while I try to go out and find some. If I have a bunch on hand, it will make me less likely to tear out my hair. Not that I have much to tear out in the first place...
Maybe I can contact a Honda dealer, and ask them?
If your manual is like mine, the wiring diagram is a fold-out on the very last page.
Re: Theory vs. Reality, or Schematic vs. Physical
Posted: Sat Aug 13, 2016 8:42 pm
by Ishkabibble
I see I'm going to have to go out to the lair and get the thing.
That's what I get for not reading the manual.
Re: Theory vs. Reality, or Schematic vs. Physical
Posted: Sun Aug 14, 2016 11:09 am
by Ishkabibble
Well, I do not have a wiring diagram inside my Shop Manual.
Purchased from Helm, back in May, for $40 or so. Came shrink-wrapped.
I can see where it was supposed to be, but there's nothing there except for a dried-up glue stripe. Apparently, this manual was not put together correctly at the printer.
I am in the process, as we speak, cleaning up and redrawing the wonderful image that Mel put up, so I can take it to a print shop and have them print out a nice, clean, crisp 20" tall poster for me. To be taped to the wall of the Lair. Near the poster of Natasha...
This is the manual I have:
Re: Theory vs. Reality, or Schematic vs. Physical
Posted: Sun Aug 14, 2016 7:08 pm
by Mel46
Ish, I hope the new copies I have just sent to your pm are better than the one you presently have....so just maybe it will help you. Sorry you didn't have a copy in the manual.
Re: Theory vs. Reality, or Schematic vs. Physical
Posted: Sun Aug 14, 2016 9:12 pm
by Ishkabibble
This forum is filled with the absolute best people.
I hope to be that good one day.
Re: Theory vs. Reality, or Schematic vs. Physical
Posted: Mon Aug 15, 2016 8:12 am
by GeorgeSK
Your not alone in the missing wiring diagram plot. My manual for 2013 is also missing the diagram, and was also purchased from Helm and received shrink-wrapped. I got no response after I initially brought up the problem and sent them pictures of where the page was supposed to be. Growl.
Mel, Iif you are feeling industrious, I wouldn't mind a copy of the diagram as well. Don't need it right now, but someday...
Re: Theory vs. Reality, or Schematic vs. Physical
Posted: Mon Aug 15, 2016 10:25 am
by Mel46

- IMG_20160814_191819.jpg (194.75 KiB) Viewed 3786 times

- IMG_20160814_192041.jpg (166.5 KiB) Viewed 3786 times
Here you go.