Can anyone point me to a PCX125 2013 service manual pdf?
My scooter got stolen, but its recovered now and I'm having electrical problems. Trying to fix myself without having to send for repair.
Thanks.
PCX125 Service Manual
Moderator: Modsquad
-
northernmunky
- New Member

- Posts: 10
- Joined: Sun Apr 15, 2018 11:05 am
- Year: 2013
- Color: red
- Location: London
- Mel46
- Forum Benefactor

- Posts: 6964
- Joined: Tue Nov 13, 2012 5:13 pm
- Year: 2013
- Color: red PCX
- Location: Dallas, Ga USA
Re: PCX125 Service Manual
Hope this helps.
Currently own:
Red 2013 Honda PCX150
Givi tall windshield & tailbox - Lots of extra lights
Custom seat from Thailand - Bad Boy Airhorn
Takegawa Lowering Shocks - Michelin City Grip Tires
Headlight assy upgraded to LEDs w/HS5 main bulbs
NCY variator, drive face, and rollers
Red 2013 Honda PCX150
Givi tall windshield & tailbox - Lots of extra lights
Custom seat from Thailand - Bad Boy Airhorn
Takegawa Lowering Shocks - Michelin City Grip Tires
Headlight assy upgraded to LEDs w/HS5 main bulbs
NCY variator, drive face, and rollers
- Mel46
- Forum Benefactor

- Posts: 6964
- Joined: Tue Nov 13, 2012 5:13 pm
- Year: 2013
- Color: red PCX
- Location: Dallas, Ga USA
Re: PCX125 Service Manual
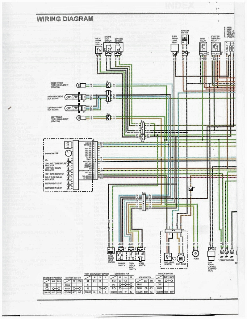
I found this among my files. I think it is for our year model.
Currently own:
Red 2013 Honda PCX150
Givi tall windshield & tailbox - Lots of extra lights
Custom seat from Thailand - Bad Boy Airhorn
Takegawa Lowering Shocks - Michelin City Grip Tires
Headlight assy upgraded to LEDs w/HS5 main bulbs
NCY variator, drive face, and rollers
Red 2013 Honda PCX150
Givi tall windshield & tailbox - Lots of extra lights
Custom seat from Thailand - Bad Boy Airhorn
Takegawa Lowering Shocks - Michelin City Grip Tires
Headlight assy upgraded to LEDs w/HS5 main bulbs
NCY variator, drive face, and rollers
-
northernmunky
- New Member

- Posts: 10
- Joined: Sun Apr 15, 2018 11:05 am
- Year: 2013
- Color: red
- Location: London
Re: PCX125 Service Manual
Spot on!Mel46 wrote: I found this among my files. I think it is for our year model.
Than you very much!