Page 1 of 1
ELECTRICAL HELP!!
Posted: Mon Jun 15, 2020 1:55 pm
by straat
Hi guys. I am a newbie to the forum and have an issue... My 2013 PCX has a great storage area, I was transporting a torque wrench in it when I hit a series of bumps that made my "one in a million chances" a reality. Evidently the push pin to hold the battery cover was missing, allowing the cover to fall down and the wrench to touch both terminals at the same time! The scooter died and I came to a stop. I was surprised to find the torque wrench on the battery and now have a problem. The battery seemed dead and would not take a charge - the main 30 amp fuse was blown also. I replaced both and it started briefly. It died and will only click when I try to engage the starter. Does anyone have any ideas on what to look at next? Any help would be appreciated.
Re: ELECTRICAL HELP!!
Posted: Mon Jun 15, 2020 5:06 pm
by Jge64
Depending on how long it stayed shorted out with the wrench, will determine the amount of damage done. It could be anywhere from another resistor to a wiring harness, hard to say until a technician or somebody skilled in electrics can look at it.
Re: ELECTRICAL HELP!!
Posted: Tue Jun 16, 2020 12:36 am
by Old Scoot
Put a charger on the battery and charge it, by shorting the battery most of the power was drained, that's why it started briefly and now will only click when you try to start.
If you can up load a photo
Re: ELECTRICAL HELP!!
Posted: Tue Jun 16, 2020 7:26 pm
by Gil
Do you have anymore details on how the wrench shorted your battery. I have had this same thing happen to me when working on a car, but in my case I shorted the positive battery terminal to ground with a wrench. I think you need to check other fuses, to make sure that they aren't' burned out. You could of also burned out other electrical components.
Does your dash light up? Does your fuel pump make a sound when turning on your scooter?
Re: ELECTRICAL HELP!!
Posted: Tue Jun 16, 2020 8:02 pm
by straat
Thanks for the reply(s). I replaced the battery because it would not take a charge and replaced the 30 amp main fuse today. Everything lit up briefly and when I went to start it - it went blank again. The fuse didn’t pop however this time.
Re: ELECTRICAL HELP!!
Posted: Tue Jun 16, 2020 8:27 pm
by Gil
Have you check all the fuses after you changed the battery and tried to start it?
Re: ELECTRICAL HELP!!
Posted: Wed Jun 17, 2020 10:41 am
by Mel46
Time to take the panels off. It sounds like you shorted something and it is still shorted. Once the panels are off look for obvious burn Mark's. Then try unplugging sections in the wiring harness and try starting it again. I would hate to think that you shorted the generator/starter.
Re: ELECTRICAL HELP!!
Posted: Wed Jun 17, 2020 10:45 am
by straat
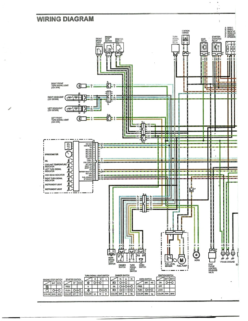
Mel46 - That look like my next move - the main 30a fuse blows right after I key on the ignition. I was unable to get a manual when I purchased the unit, so hopefully I can find some diagrams.
Re: ELECTRICAL HELP!!
Posted: Wed Jun 17, 2020 3:44 pm
by Mel46
Would you mind adding your general location, please. It helps us to help you since this is an international forum, and there are some variations in the models based on location. Thanks.
Re: ELECTRICAL HELP!!
Posted: Wed Jun 17, 2020 4:22 pm
by you you
Check your earth.
Re: ELECTRICAL HELP!!
Posted: Thu Jun 18, 2020 10:28 am
by Mel46

- High Contrast Front.jpg (306.56 KiB) Viewed 2028 times

- High Contrast back.jpg (408.67 KiB) Viewed 2028 times
Hope this helps.